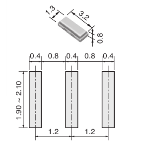
10000 \C03213C3\\5000\2000/-20~80C\CSTCE10,00MG\ --- Кварцевые резонаторы (пьезокерамические, диэлектрические, ПАВ (SAW), резонаторы из других пьезоматериалов)